一、 工程背景
丹金溧漕河大桥位于江苏常合高速公路(金坛——溧阳段),跨越丹金溧漕河;预应力混凝土组合箱梁桥梁下部结构根据桥位处的地质情况,采用柱式桥墩,钻孔灌注桩基础;设计荷载:汽车—超20级,挂车—120;桥墩编号起始编号为0#;桥梁的构件及支座编号为从内侧向外侧依次编号,起始编号为1#;桥梁中提到的纵向、横向裂缝是相对于路线方向而定的,与路线方向一致为纵向,与路线正交方向为横向。
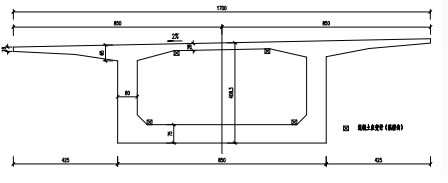
丹金溧漕河大桥横断面结构如图 1 - 1所示

二、 丹金溧漕河大桥健康监测系统硬件安装
2.1健康监测系统概述
丹金溧漕河大桥为部分预应力混凝土组合箱梁桥。2021年12月,江苏常合高速公路有限公司组织各方为丹金溧漕河大桥第二联安装了长期性能监测系统,为了考察桥梁的基本力学性能,选择典型桥跨,布置相应的应变、动位移、温度、裂缝等测点,组成箱梁健康监测系统,监测部分预应力混凝土箱梁在实际运行荷载作用下的基本力学性能,为类似桥梁的运营养护和维修加固提供有益参考和示范。
从用户的角度来说,健康监测系统大体可以分为软件子系统和硬件子系统。软件子系统是用户与硬件间的接口界面,主要作用有对采集参数进行人工干预、存储并查看数据、数据分析等。硬件子系统负责完成自动化的数据采集,主要包括传感器及其相应的数据采集传输设备、综合布线、测站设备、监控中心设备和相关的辅助设备等。安装此套硬件系统的主要目的是为结构状态识别及局部损伤识别采集所需要的数据,因此要求硬件系统需要实现以下功能:
1)能够向结构状态及损伤识别子系统提供数量和精度都满足要求的监测数据;
2)能够实现数据的同步采集;
3)满足部分数据实时采集的需要;
4)满足长期稳定工作的要求;
5)满足便于标定、更换的要求;
6)能够实现故障报警、定位,并能够将故障限制在局部范围;
7)能够对监测数据进行校验及选择存储;
8)能够按照既定程序或在用户干预进行下进行数据采集。
系统整体框架图如图3-1

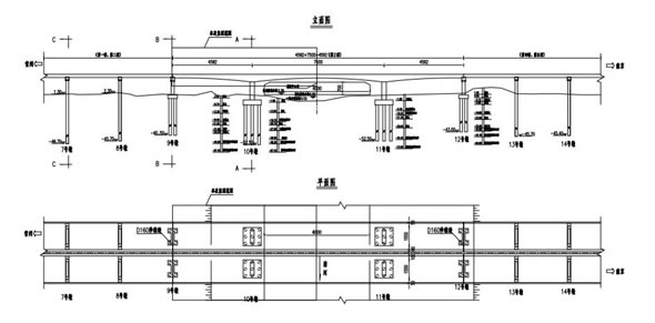
2.2主梁测点纵向布置图
丹金溧漕河大桥第三联第一跨、第二跨、第三跨测点;第四联第一跨纵向布置图如图3-2:

图3-2 测点整体布置图
2.3 主梁应变监测
2.3.1 监测目的及方法
部分预应力混凝土组合箱梁既是形成连续梁桥的主要构件之一,同时又直接承受着车辆荷载的作用,通过对主梁各控制截面应力(应变)进行监测,不仅能直接了解各测点处的应力(应变)状态,而且为总体评判桥梁的安全性和耐久性提供依据,而且还能通过控制点应力(应变)状态变化来发现桥梁结构状态的变异。
应变数据获取采用日本共和电业公司的KM-120-H2-11型混凝土表面应变计,基本参数见表 3 - 1。

2.3.2 测点布置
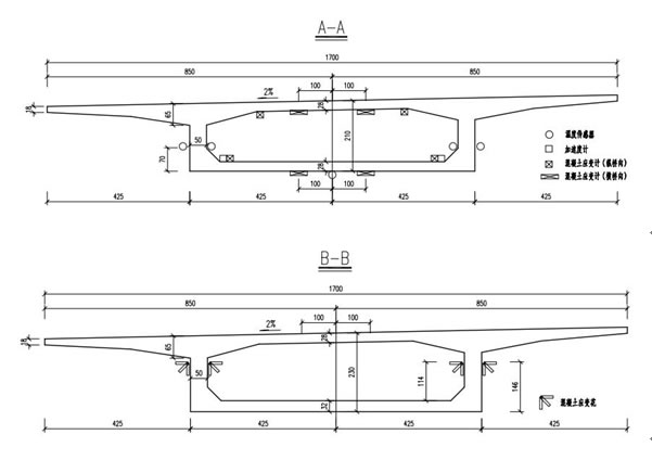
根据结构的实际受力特点,并考虑到现场条件,选择将左幅和右幅第二联第五跨跨中截面作为应变监测截面,各截面测点横向布置见图 3 - 3左幅和右幅各布置12个应变测点,共计24个;应变花各6个,共计12个。


2.3.3 现场安装流程及图片
应变片安装流程:
(1)打磨:用打磨机将混凝土表面进行打磨干净。
(2)基底胶:在打磨机打磨过的地方涂上基底胶,使其平整。
(3)贴片:将应变片的两面涂上专用胶水,将应变片贴于混凝土上并使用专用塑料薄膜紧压应变片直至胶水凝固,用大胶带将应变片电线固定在混凝土上。
(4)703硅胶防护:将703硅胶涂在在应变片上
(5)走线与连接:将应变片电线与穿过PVC管的粗线连接,然后用防水胶带将连接处缠好。
(6)接头与编号:用电烙铁和焊锡将粗线中的各根线按一定规则烙到接头上,并拧紧接头上的螺丝钉固定电线以防电线从接头中脱落。根据应变片的位置对做好的各个接头进行编号。
现场安装图片如图 3 - 4至图 3 - 19所示:


2.4 动位移监测
2.4.1 监测目的及方法
大跨径桥梁的振动位移是衡量桥梁振动水平的一个重要标志。当车辆的振动频率与桥跨结构的自振频率一致时,即形成共振,其振幅(即挠度)比一般的振动大许多,振幅的大小与桥梁结构的阻尼大小及共振时间的长短有关。
动位移监测采用中国地震局工程力学研究所的941BX型动位移传感器,基本参数见表 3 - 2。

2.4.2 测点布置
动位移监测布置在第三联第三跨跨中截面,第四联第一跨中界面,横向布置见图 3 - 12和图 3 - 13,左右幅动位移测点各4,共计8个。

2.4.3 现场安装流程及图片
动位移传感器安装流程:
(1)打孔与插入膨胀螺丝。用电钻在混凝土箱梁底部打孔,然后插入膨胀螺丝。
(2)安装动位移传感器。将动位移上方钢板与箱梁底部膨胀螺丝对齐从钢板孔中穿过,拧紧膨胀螺丝螺母,将四个角用螺母固定。
(3)走线与连接。将穿过PVC管的信号线与动位移传感器连接。
(4)接头与编号。用电烙铁和焊锡将粗线中的各根线按一定规则烙到接头上,并拧紧接头上的螺丝钉固定电线以防电线从接头中脱落。根据动位移传感器的位置对做好的各个接头进行编号。
(5)连接机箱。将接头按照编号插到对应的通道中并做好记录。
现场安装图片如图 3 - 14:

2.5 温度监测
2.5.1 监测目的及方法
当环境温度和日照发生变化时,桥梁结构的温度也会随之变化。一般来说,材料的温度变化将引起构件的变形,当构件的变形受到限制时,构件内部就会产生应力。由于组成大型桥梁结构各部分的材料、尺寸和结构形式不同,环境温度和日照变化将使整座桥梁内形成复杂的温度分布。
通过对桥梁温度场分布状况的监测,可为桥梁设计中温度影响的计算提供原始依据;对不同温度状态下桥梁工作状态的变化,如桥梁变形、应力变化、频率变化等进行比较和定量分析,对于桥梁设计理论的验证和改进均有积极意义。在我国并未系统的进行过混凝土桥梁温度场长期观测,《公路桥涵设计通用规范》(JTJ D60-2004)沿用了美国AASHTO规范的二类地区关于箱梁温度梯度的规定。由于地域、气候等条件因素的差别,美国规范所规定的温度梯度并不能完全适用于我国的混凝土桥梁。
温度监测采用PT100温度传感器,基本参数见表 3 - 15。

2.5.2 测点布置
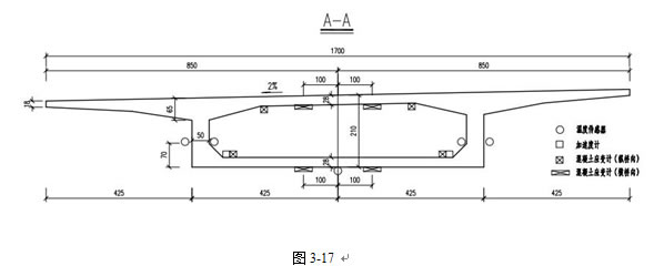
温度传感器布置在第三联第一跨跨中截面,横向布置见图 3 - 17温度测点右幅和左幅各5个,共计10个。

2.5.3 现场安装流程及图片
温度传感器安装流程:
(1)固定温度传感器。将温度传感器放到对应位置,并用扎带绑扎固定。
(2)走线。将温度传感器的电线沿着其它传感器走线,并用扎带将其与其它传感器的走线绑扎在仪器。
(3)接头与编号。用电烙铁和焊锡将电线中的各根线按一定规则烙到接头上,并拧紧接头上的螺丝钉固定电线以防电线从接头中脱落。根据温度计传感器的位置对做好的各个接头进行编号。
(4)连接机箱。将接头按照编号插到对应的通道中并做好记录。
现场安装图片如下:图3-18、图3-19

2.6 主梁裂缝检测
2.6.1 监测目的及方法
部分预应力混凝土组合箱梁既是形成连续梁桥的主要构件之一,同时又直接承受着车辆荷载的作用,通过对主梁各控制截面应力裂缝(应变)进行监测,不仅能直接了解各测点处的裂缝应力(应变)状态,而且为总体评判桥梁的安全性和耐久性提供依据,而且还能通过控制点裂缝应力(应变)状态变化来发现桥梁结构状态的变异。
应变数据获取采用日本东京测器研究所(TML)的TML120-60AA型应变计,基本参数见表 3 - 20。

2.6.2 测点布置
根据结构的实际受力特点,并考虑到现场条件,选择将左幅和右幅第二联第五跨跨中截面作为应变监测截面,各截面测点横向布置见图 3 - 21左幅和右幅各布置5个裂缝应变测点,共计10个。

2.6.3 现场安装流程及图片
应变片安装流程:
(1)打磨:用打磨机将混凝土表面进行打磨干净。
(2)基底胶:在打磨机打磨过的地方涂上基底胶,使其平整。
(3)贴片:将应变片的两面涂上专用胶水,将应变片贴于混凝土上并使用专用塑料薄膜紧压应变片直至胶水凝固,用大胶带将应变片电线固定在混凝土上。
(4)703硅胶防护:将703硅胶涂在在应变片上
(5)走线与连接:将应变片电线与穿过PVC管的粗线连接,然后用防水胶带将连接处缠好。
(6)接头与编号:用电烙铁和焊锡将粗线中的各根线按一定规则烙到接头上,并拧紧接头上的螺丝钉固定电线以防电线从接头中脱落。根据应变片的位置对做好的各个接头进行编号。
现场安装图片如图 3 -22至图 3 - 23所示:

2.7 数据采集设备的安装
2.7.1 采集系统设计
根据监测方案要求,监测设备共两台,分别位于第三联中间隔离带处。第一组设备应变测点18个通道,动位移4个通道,温度10个通道;第二组设备应变测点个24通道;第三组设备应变测点8个通道;第四组设备应变24个通道动位移8个通道。
信号接头全部采用工用航空接头,不同的信号类型采用的接头芯数也有区别,这样就有效避免了人为误插可能导致的设备故障和信号异常等。
另外设备内部还加装了远程断电模块,可以通过远程来控制设备的电路。预留AC220V交流电源插座,调试维修时可直接从设备引电。
设备图片如图 3 - 24:

2.7.2 采集设备的安装
设备安装在桥梁隔离带,采用膨胀螺丝固定,并且在显著部位做了相关标识,如图 3 - 25所示,避免在其他施工单位施工时对设备造成损坏。

2.8 现场走线以及防护
现场走线分为两部分:系统电源和通讯走线、信号线缆走线。
光纤由第五跨走到服务区监控室,电源线由桥头的称重系统机柜处走出到第五跨。桥上走线在路中隔离带走线并穿PVC管防护,其余走线采用穿管埋入路边斜坡低端,防止人为破坏。
桥上的信号线防护全部采用了20PVC线管进行防护,并采用卡扣进行固定。完成图如图 3 - 26:

进入机箱的信号线按照排列规则使用扎带绑扎并固定,并使用标签做好标识,方便了后期的维护和识别。

2.9 现场信号调试以及问题解决
整个系统安装完成后,采用单机版软件在桥上对所有信号进行调试。分别采集了应变、动位移、温度以及裂缝信号,确保所有通道的正常运行。通过现场调试,初步判断通道测点G1,G3,G4信号存在异常。
现场调试图片如图 3 - 29:
测点G1,G3,G4可能存在的问题是应变数值太小,从图上不容易看出整体趋势,解决方法:对信号进行滤波。测点G1,G3,G4可能存在的问题是测点传感器顺坏,解决方法:更换传感器。
三、 丹金溧漕河大桥健康监测系统运行情况
信号调试随机选取一天中的半小时数据
3.1主梁应变调试数据截图


